单片机原理(1):基本结构
单片微型计算机(Single Chip Microcomputer)简称单片机,是把组成微型计算机的主要功能部件(CPU、RAM、ROM、I/O口、定时/计数器、串行口等)集成在一块芯片中,构成一个完整的微型计算机。
单片机主要面对测控对象,突出的是控制功能,所以它的芯片内集成了很多面向测控对象的接口电路,如ADC(Analog to Digital Converter,模数转换器)、DAC(Digital to Analog Converter,数模转换器)、高速I/O口、PWM(Pulse Width Modulator,脉冲宽度调制器)、WDT(Watch Dog Timer,监视定时器,俗称“看门狗”)等。这些接口电路已经突破了传统的微型计算机体系结构,所以单片机也称MCU(Micro-Controller Unit,微控制器)。
单片机的种类十分广泛,现在市场上主流的有PIC系列、STM32系列、AVR等等。51系列单片机是对所有兼容Intel 8031指令系统的单片机的统称,它们都是Intel公司1981年制造8位MCU Intel 8051衍生兼容品,其指令集称为MCS-51。这里以此为例介绍单片机工作原理。
引脚及功能

51单片机的通常采用的是40引脚的双列直插式封装(Dual In-line Package,DIP),引脚功能的定义如上图所示。
除去基本的电源引脚,其中:
- VSS:电源引脚,需要接地(GND)。
- **XTAL1、XTAL2(External Crystal)**:时间引脚,在片内XTAL1是振荡器反相放大器和时钟发生器的输入端,XTAL2是振荡器反相放大器的输出。分别外接由两个电容与晶振的并联谐振时钟电路时,XTAL1接外部晶振和微调电容的一端,XTAL2接外部晶振和微调电容的另一端;使用外部时钟时,XTAL1接地或悬空,XTAL2引脚接外部时钟的输入。
- **RST(Reset)**:复位引脚,出现持续两个机器周期的高电平将导致单片机复位。
- **ALE/PROG(Address Latch Enable/)**:作ALE,为地址锁存允许控制,用于在访问外部存储器时锁存P0口输出的低8位地址,脉冲的频率大约为振荡器频率的1/6。作PROG,当内部程序存储器(EPROM)编程时,由此输入编程脉冲信号。
- **PSEN(Programme Store Enable)**:外部程序存储器选通信号。
- **EA/Vpp(External Enable)**:作EA功能,为外部程序存储器使能信号,低电平时,只能访问外部程序存储器。作Vpp,对EPROM编程时,用以施加编程电压。
- P0、P1、P2、P3:四个并行I/O口,每并行口8个引脚。
I/O口结构及功能
51单片机的32个I/O引脚,组成P0到P3四个8位的并行双向I/O口,内部的特殊功能寄存器(Special Function Register,SFR)P0-P3分别是它们的端口锁存器,此外每个口还分别包含一个输出驱动器和输入缓冲器。四个并行口可以按字节操作,也可以按位操作。
P0
可作一般I/O口使用,应用系统采用外部总线结构时,也可以分时复用作为双向数据总线(Data Bus)和低8位地址总线(Address Bus)。
上图为P0口某一位的结构原理图。
当P0作I/O口时,CPU发出控制信号C=0,封锁与门,使场效应管V2截至,同时将下面的数据选择器(Multiplexer,MUX)拨到下方,将锁存器的$\overline Q$端与场效应管(Field Effect Transistor)V1的栅极接通。
输出数据时,内部总线数据经锁存器、MUX、V1输出到引脚;输入数据后,上下两个三态输入缓冲器用以内部的读操作,分别实现读引脚和读锁存器。
要注意的是,P0口作为I/O口输出时,由于输出级为漏极开路电路,需要外接上拉电阻,才能输出高电平;输入后读取数据时,V1导通将输入的高电平拉为低电平造成误读,所以在进行输入操作前,要先向端口输出锁存器写“1”。
当P0口作地址/数据总线时,CPU发出控制信号C=1。由P0输出地址/数据信息时,与门打开,MUX将CPU内部地址/数据总线反向后与V1的栅极接通,V1和V2两个FET管构成推拉式输出电路,负载能力大大加强;输入数据时,是由下面的三态输入缓冲器进入内部数据的。
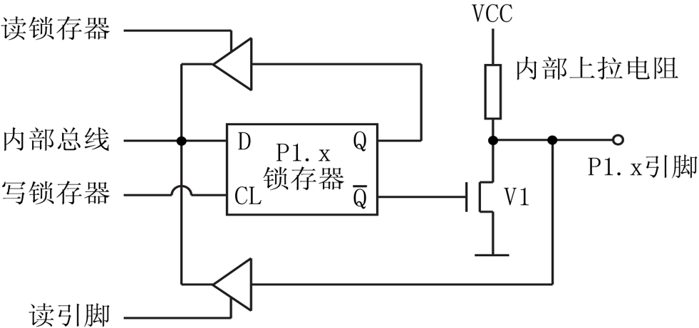
P1
四个I/O口中功能最简单,可做一般I/O口使用。其某一位的结构原理图如下。
其内部已有上拉电阻,可直接输出高电平,驱动拉电流负载。和P0一样,端口输入后读取数据时,要先向端口输出锁存器写“1”。
P2
可作一般I/O口使用,在应用系统采用外部总线结构时,仅用作高8位地址总线。其某一位的结构原理如下图:

MUX打向左边时,作一般I/O口使用,此时于前面介绍的I/O口工作原理基本一致。Q输出为0时V1导通,外部引脚输出低电平;输出1时V1截止,由于存在内部上拉电阻,外部引脚输出高电平。输入后也可分为读引脚状态和读锁存器状态。而且端口输入后读取数据时,要先向端口输出锁存器写“1”。
P3
可作一般I/O口使用外,每个引脚都具有第二功能。其某一位的结构原理如下图:
作一般I/O口用,原理同P2。使用引脚的第二功能时,对应的锁存器里必须为“1”,否则图中的与非门输出始终为1,V1导通,引脚始终在低电平,不能正常工作。
每个引脚的第二功能如下表:
| 引脚 | 第二功能 | 说明 |
|---|---|---|
| P3.0 | RXD(Receive External Data) | 串行输入端 |
| P3.1 | TXD(Transmit External Data) | 串行输出端 |
| P3.2 | INT0(Interrupt) | 外部中断0 |
| P3.3 | INT1 | 外部中断1 |
| P3.4 | T0(Timer) | 计数器0外部输入 |
| P3.5 | T1 | 计数器1外部输入 |
| P3.6 | WR(Write Enable) | 外部数据存储器写选通 |
| P3.7 | RD(Read Enable) | 外部数据存储器读选通 |
四个I/O口中,P1、P2、P3口可驱动4个LS TTL(Low-power Schottky TTL,低功耗肖特基TTL)负载,即输出电流不小于400uA; P0口的输出缓冲器可驱动8个LS TTL负载,作一般I/O使用时为开漏输出,需要外加上拉电阻,做数据/地址总线使用时不需要外加上拉电阻。
内部微体系结构

51系列单片机内部包含:
- 运算器(包括逻辑运算器ALU(Arithmetic and Logic Unit)、累加器ACC(Accumulator)、寄存器B、程序状态字寄存器PSW(Program Status Word))、程序计数器PC(Program Counter)、指令寄存器IR(Instruction Register)、指令译码器ID(Instruction Decoder)、数据指针DPTR(Data Pointer)等组成的8位CPU。
- 4KB ROM 程序存储器、128B RAM 数据存储器
- 可寻址64KB外部数据存储、控制电路
- 21个特殊功能寄存器SFR
- 32条可编程I/O端口线
- 2个16位定时/计数器
- 1个可编程全双工串行口
- 5个中断源、两个优先级嵌套中断结构
- 1个片内振荡器及时钟电路
CPU
CPU用以产生各种控制信号,是单片机的核心。
ALU完成数据的算数运算、逻辑运算,并将运算结果的状态送往PSW。
PC是一个16位具有自动加一功能的寄存器,用来存放即将取出的指令地址,可对64KB程序存储器直接寻址。
IR是用来暂存待执行指令的8位寄存器。ID对其中的指令进行译码,将指令转变为执行此指令所需要的电信号。
DPTR是一个16位专用地址指针寄存器,用来存放16位地址,作间址寄存器使用。
存储器
51单片机的存储器按功能可分为数据存储器(RAM)和程序存储器(ROM),按位置分又可以分为片外存储器和片内存储器 。
ROM
51单片机通常包含只4KB的程序存储器,而以PC作为地址指针,通过16位地址总线,最大可寻址$2^{16}$B即64KB的地址空间,所以一般进行外部存储器进行拓展。
引脚EA}决定了程序存储器的0000-0FFFH 4KB地址范围在单片机内部还是外部。当EA=1时,程序存储器的地址分为片内的0000-0FFFH 4KB地址范围和片外程序存储器的1000-FFFFH 60KB地址范围;否则,当EA=0时,只能寻址外部程序存储器,0000-FFFFH全部64KB地址空间都在片外。
系统复位后PC的内容为0000H,也就是说单片机上电后都是从程序存储器的0000H单元开始取指令执行程序,一般在此地址单元设置转移指令,使之转向用户主程序处。此外,0003-0023H单元被保留用作5个中断服务程序的入口地址:
| 入口地址 | 所属中断 |
|---|---|
| 0003H | 外部中断0入口地址 |
| 000BH | 定时器0中断入口地址 |
| 0013H | 外部中断1入口地址 |
| 001BH | 定时器1中断入口地址 |
| 0023H | 串口中断入口地址 |
故中断服务程序个主程序一般都被放置在0030H单元以后。
RAM
128B的内部数据存储器是用得最多的地址空间,所有的操作指令的操作数据只能在此地址空间或SFR中。

RAM区结构如上图。其中,00H-1FH共32个单元为工作寄存器区,分为4组,每组8个单元组成通用寄存器,都用R0-R7表示。可以通过改变PSW的RS1和RS0、RS1两位的状态来选择CPU当前使用的工作寄存器组,如下表所示。这样可以提高CPU的操作效率和响应中断的速度,利于现场的保护及恢复。

20H-2FH共16个字节128位组成位寻址区,可用位寻址方式访问,位地址为00H-7FH。位寻址区的位地址如下表:

最顶层的30H-7FH共80个单元为用户RAM区,作为堆栈或者数据缓存器。
普通51子系列单片机中,地址为00H-7FH的低128B区域为RAM区,而地址为80H-FFH的高128B区域即为SFR。增强型52子系列中,有地址为00H-FFH的256B的RAM,而SFR的地址和RAM的高128字节地址80H-FFH是重合的,需要通过不同的寻址方式来区分它们。
SFR
SFR是专门用于控制、选择、管理、存放单片机内部各部分的工作方式、条件、状态、结果的寄存器,不同的SFR用于管理不同的硬件模块。
51单片机内的21个SFR中,有5个是16位寄存器 ,11个可以进行位寻址。它们的地址分布及功能如下表:

其中PSW用于存放程序运行是的各种状态信息,其各位定义如下:
位地址 | D7H | D6H | D5H | D4H | D3H | D2H | D1H | D0H
——|——|——|——|——|——|——|——|——|——
定义 | CY | AC | F0 | RS1 | RS0 | OV | F1 | P
- **CY(Carry)**:进位标志位,运算过程最高为产生进位或借位,则CY=1。
- **AC(Assistant Carry)**:辅助进位标志位,运算过程中低四位向高位有进位或借位,则AC=1。
- F0/F1:软件标志位,可作为用户自定义的标志位,由用户置位或复位。
- **RS0和RS1(Register Select)**:RAM中的4组工作寄存器选择位。
- **OV(Overflow)**:溢出标志位,运算过程中产生溢出,OV=1。
- **P(Parity)**:奇偶标志位,执行指令是会根据ACC中1的个数的奇偶自动令P置位或清零,奇为1,偶为0;串行通信时,可以由此位验证传输的可靠性。
时钟和复位
单片机内部的时钟信号用来提供单片机内部各种操作的时间基准,复位操作使单片机内的电路初始化。
时钟电路、单位
51单片机的时钟信号通常由内部振荡或外部振荡方式来获得。接法如图所示:

在XTAL1和XTAL2引脚外接晶体振荡器或者陶瓷谐振器,即构成内部振荡方式。晶振通常选用6、12或24MHz,单片机内部有一个高增益反向放大器,外接晶振将构成自激振荡,产生振荡时钟脉冲,电容C1、C2可以稳定振荡频率,电容值一般为5-30pF。
外部振荡就是把已有的时钟信号引入单片机内。
单片机以晶振的振荡周期(或外部输入的时钟周期)为最小的时序单位,片内的各种微操作都以此周期为时序基准;振荡频率经单片机内的二分频器分频后形成状态周期,所以,1个状态周期包含2个振荡周期;而6个状态周期组成1个机器周期,所以,1个机器周期包含12个振荡周期;执行一条指令需要1-4个机器周期,这个时间便称为指令周期。
例如,单片机外接12MHz的晶振时:$$ 振荡周期 = \frac{1}{f_{osc}} = \frac{1}{12Mhz} = 0.0833 us $$ $$ 状态周期 = \frac{2}{f_{osc}} = \frac{2}{12Mhz} = 0.167 us $$ $$ 机器周期 = \frac{12}{f_{osc}} = \frac{12}{12Mhz} = 1 us $$ $$ 指令周期 = 1–4个机器周期 = 1–4 us $$
时序图
51单片机的指令执行及存储器读取时序图如下:
取指时序:

外部ROM读时序:

外部RAM读取时序:

复位电路
当51单片机的复位引脚RST出现两个机器周期以上高电平时,单片机即完成复位操作。复位操作通常有上电复位和开关复位两种形式,接法如图所示:

单片机复位后,PC=0000H,P0-P3=FFH,SP=07H,其他寄存器都回到初始的0状态。
更新历史:
- 2017.11.22 完成初稿
单片机原理(1):基本结构


